新闻中心
联系我们
上铠沃阀门有限公司
电话:021-61126877 67226697
传真:021-67226697-803
联系人:蒋经理
QQ:2851067528
手机:13817892267
联系人:叶经理
QQ:2851067529
手机:13701760361
关于自力式压力调节阀解析,赶紧收藏了!
日期:2018-11-17 来源:
上海铠沃阀门自力式压力调节阀品牌直销,价格优惠,自力式压力调节阀质量,售后有保证!严格按照国家标准检测验收出厂;自力式压力调节阀选上海铠沃阀门专业供应!
自力式压力调节阀是一种无需外来能源,依靠被测介质自身压力或温度或流量变化,按预先设定值,进行自动调节的控制装置,是一种节能型仪表。它集控制、执行诸多功能于一身。自成一个独立的仪表控制系统。集变送器、控制器及执行机构的功能于一体。不同于一般含义上的控制阀。
自力式调节阀有自力式压力(微压)调节阀、自力式(压差)流量调节阀、自力式温度调节阀等几类。自力式压力调节阀是其家族成员之一,由于它无需外来能源,产品结构简单,使用方便,维护工作量少等优点,特别适用于城市供热、供暧及没有供电、供气又需控制的场合。
自力式压力调节阀的组成
自力式压力调节阀是自成一体的压力控制器阀门。一般来讲,介质压力随着介质流量的变化而变化。当介质流量发生变化时,为保证压力恒定,则需要自力式调节阀来控制。
自力式压力调节阀由三大组成元素构成,分别为:
1.限流元素:阀门等;
2.测量元素:压力表,阀膜,活塞等;
3.荷载元素:弹簧,重物,人力等。
自力式压力调节阀的分类
1.按阀后、阀前控制分为:自力式阀后(减压)控制阀、自力式阀前(泄压)控制阀。
2.按是否带指挥器分为:
a.直接作用型自力式调节阀
直接作用式调压阀就是通过介质本身直接控制阀门,达到调压的作用。直接作用式调压阀有阀后取压形式与阀前取压形式。
阀后取压,保持阀后的压力在设定范围内,达到阀后减压的功效。
阀前取压,保持阀前的压力在设定范围内,达到阀前泄压的功效。
b.指挥器操作型自力式调节阀
指挥器操作型调节阀是通过两个阀门之间的相互控制,来达到自动调压的作用。
工作原理
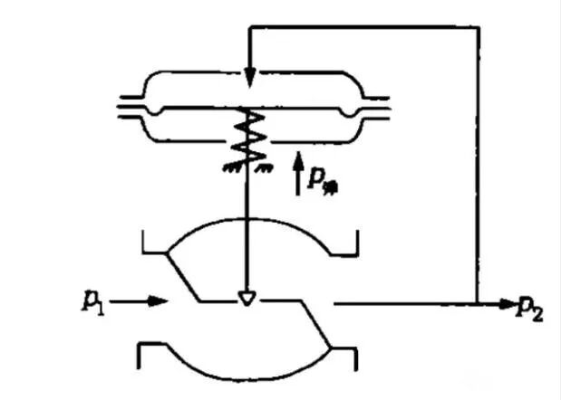
1.自力式阀后压力调节的工作原理(见下图)
阀前压力P₁经过阀芯、阀座的节流后,变为阀后压力P₂。P₂经过管线输入上膜室内作用在顶盘上,产生的作用力与弹簧的反作用力相平衡,决定了阀芯、阀座的相对位置,控制阀后压力。当P₂增加时,P₂作用在顶盘上的作用力也随之增加。此时,顶盘上的作用力大于弹簧的反作用力,使阀芯关向阀座的位置。这时,阀芯与阀座之间的流通面积减少,流阻变大,P₂降低,直到顶盘上的作用力与弹簧反作用力相平衡为止,从而使P₂降为设定值。同理,当P₂降低时。作用方向与上述相反,这就是阀后压力调节的工作原理。
2.自力式阀前压力调节的工作原理(见下图)
自力式压力调节阀与控制阀的区别
这两类产品的区别,主要在于控制阀既需要外界能源(如电源或气源 )做驱动能,又需要接受外来控制仪表信号才能改变阀内截流件相对位置,从而实现改变流体流量。而自力式压力调节阀则既不需外来能源,又不需要接受外来控制仪表信号,仅靠被调介质的压力信号,便可实现压力调节。
主要特点
1.自力式压力调节阀无需外加能源,能在无电无气的场合工作,既方便又节约能源。
2.压力分段范围细且互相交叉,调节精度高。
3.压力设定值在运行期间可连续设定。
4.对阀后压力调节,阀前压力与阀后压力之间比为10:1~10:8
5.橡胶膜片式检测,执行机构检测精度高、动作灵敏。
6.采用压力平衡机构,使调节阀反应灵敏,控制精确。
安装注意事项
2.自力式阀根据计算通径可以小于管道直径,而截止阀、切断球阀、旁通阀、过滤器则不能小于管道直径。
3.为便于现场维修及操作,调压阀四周应留有适当空间。
4.当介质为洁净气体或液体时,阀前过滤器可不安装。
日常维护
投入运行后,一般维护工作很少,平时只要观察阀前,阀后压力示值是否符合工艺所需要求即可。另外,观察填料函与执行机构是否渗漏,若渗漏应拧紧或更换填料及膜片。
